首页
关于我们
产品中心
解决方案
技术支持
联系我们
公司简介
企业文化
发展历程
荣誉资质
控制与保护产品
继电器
终端电器
配电电器
电力仪表
EN
首页
ꄲ
继电器
ꄲ
液位控制器
ꄲ
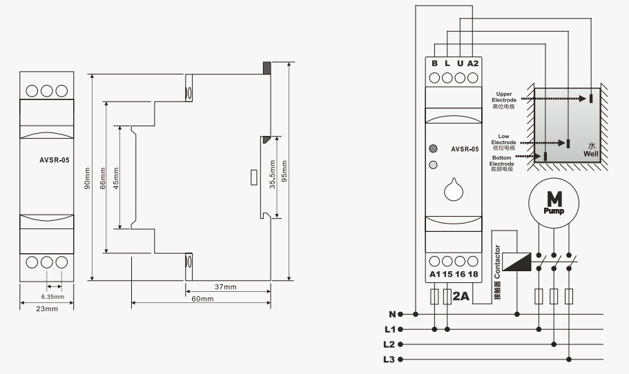
AVSR-05 液位控制继电器
ꁆ
ꁇ
AVSR-05 液位控制继电器
AVSR-05液位控制继电器被设计用于控制储罐和含有导电液体的井的排放。
返回列表
联系我们
产品详情
外形及安装尺寸:
ꄴ
前一个:
无
ꄲ
后一个:
ASR-05液位控制继电器
产品中心
PRODUCTS
本网站由阿里云提供云计算及安全服务
本网站支持
IPv6
本网站由阿里云提供云计算及安全服务
本网站支持
IPv6
本网站由阿里云提供云计算及安全服务
本网站支持
IPv6
本网站由阿里云提供云计算及安全服务
本网站支持
IPv6