首页    继电器    数显时间继电器    ADRV-10数显时间继电器

ADRV-10数显时间继电器

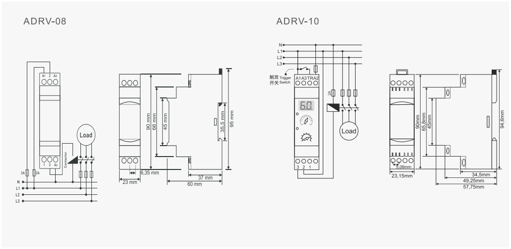
ADRV系列数显时间继电器,具有ON和OFF延迟,可用于任何需要时间延迟控制的场所
返回列表
联系我们

产品详情

安装及接线要求

 

产品中心

PRODUCTS