首页    控制与保护产品    星三角起动器    QJX2-09~95 星三角起动器(开启式)

QJX2-09~95 星三角起动器(开启式)

QJX2 系列“星三角”减压起动器主要用于交流50Hz或60Hz, 额定工作电压至380V,在AC-3使用类别,额定工作电流至95A的电路中,作为电动机的起动之用,起动器设有空气延时头,可自动进行“星三角”转换,以降低电动机起动电流。
返回列表
联系我们

产品详情

注意:订购时请注明封闭式或开放式

 

正常工作条件和安装条件:

1、周围空气温度为:-5C~+40℃,24小时内其平均值不超过+35℃。

2、海拔高度:不超过2000m。

3、大气条件:最高温度为+40℃时,空气的相对湿度不超过50%,在较低温度下可以允许有较高的相对

湿度,例如20℃时达90%。对由于温度变化偶尔产生的凝露应采取特殊的措施。

4、污染等级:3级。

5、安装类别:III类。

6、安装条件:安装面与垂直面倾斜度不大于±5°。

7、冲击振动:产品应安装和使用在无显著摇动、冲击和振动的地方。

 

主要参数及技术特点:

 

 

起动器控制电动机功率:

 

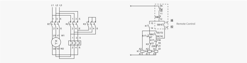
接线图:

 

结构特点:

本起动器由三台接触器和空气延时头组成,三台接触器均安装在同一个铁底板上,靠左面的接触器为连接主电路 进、出线,另两台为星三角转换接触器,空气延时头挂装在最左侧接触器上。

 

外形及安装尺寸:

开启式

 

封闭式:

产品中心

PRODUCTS