AOS-25/32 电动机起动器
AOS系列电动机起动器适用于交流50Hz/60Hz、额定工作电压至440V,额定工作电流至95A的电路中。用作控制三相鼠笼型电动机启动、停止之用,并对电动机的平衡过载或断相起保护作用。
型号及其含义:

特点:
● 防护等级:IP54,防水、防尘;
● 可配装信号指示灯(如有需要)
使用环境条件:
● 海拔不超过2000m。
● 周围空气温度为-5℃~+40℃,24小时内其平均值不超过+35℃。
● 大气条件:在+40℃时大气相对湿度不超过50%,在较低温度下可以有较高的相对湿度,最湿月的月平均最低温度不超过+25℃,该月的月平均最大相对湿度不超过90%,由于温度变化发生在产品上的凝露情况必须采取措施。
● 污染等级:3级。
● 安装面与垂直面倾斜度不大于±5°。
● 产品安装和使用在无显著摇动、冲击和振动的地方。
主要技术参数:
|
类型 Type |
交流接触器 Selected AC Contactor |
热继电器 Thermal Relay |
调整范围 Setting Range |
额定功率 Rated Power (AC-3) |
|||
| 200-240V | 380-440V | ||||||
| kW | HP | kW | HP | ||||
| AOS-09 | CJX2-09 | JR28-13 | 1.25-2A | 0.37 | 1/2 | 0.55 | 3/4 |
| JR28-13 | 1.6-2.5A | 0.55 | 3/4 | 0.75 | 1 | ||
| JR28-13 | 2.5-4A | 0.75 | 1 | 1.1 | 1.5 | ||
| JR28-13 | 4-6A | 1.1 | 1.5 | 2.2 | 3 | ||
| JR28-13 | 5.5-8A | 1.5 | 2 | 3 | 4 | ||
| JR28-13 | 7-10A | 2.2 | 3 | 4 | 5.5 | ||
| AOS-12 | CJX2-12 | JR28-13 | 9-13A | 3 | 4 | 4 | 5.5 |
| AOS-18 | CJX2-18 | JR28-13 | 12-18A | 4 | 5.5 | 5.5 | 7.5 |
| AOS-25 | CJX2-25 | JR28-13 | 17-25A | 5.5 | 7.5 | 7.5 | 10 |
| AOS-32 | CJX2-32 | JR28-13 | 23-32A | 7.5 | 10 | 11 | 15 |
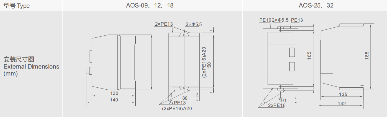
安装尺寸示意图(mm):
